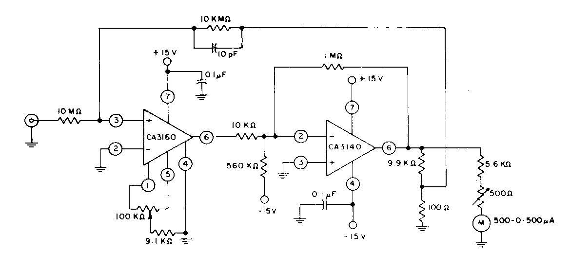
Este circuito de General Electric de los años 80 tiene una guarda de protección contra ruido para el operacional. El circuito tiene una sensibilidad de entrada de 3 pA. La fuente debe ser simétrica.

 

Picoamperímetro
Picoamperímetro | Haga click en la imagen para ampliar |