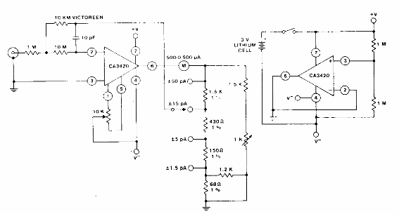
Este circuito se encontró en la documentación de RCA y General Electric de la década de 1980. El circuito tiene varias escalas y su precisión depende de las resistencias utilizadas en el. La fuente de alimentación debe ser simétrica.

Picoamperímetro
Este circuito se encontró en la documentación de RCA y General Electric de la década de 1980. El circuito tiene varias escalas y su precisión depende de las resistencias utilizadas en el. La fuente de alimentación debe ser simétrica.
