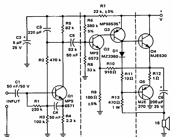
Este circuito se encontró en la documentación de Motorola de 1968. Los transistores son de la compañía y la fuente de alimentación es del orden de 22 V.

Amplificador de 5 W
Este circuito se encontró en la documentación de Motorola de 1968. Los transistores son de la compañía y la fuente de alimentación es del orden de 22 V.
