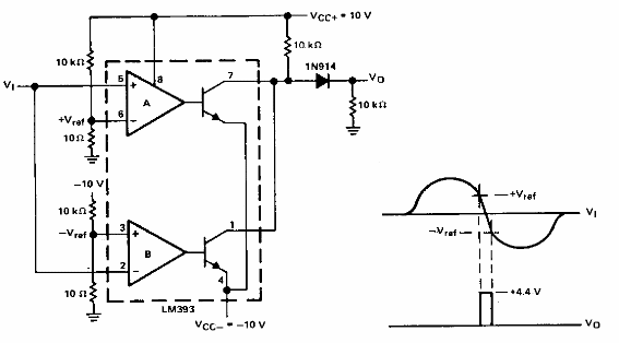
Sugerido por la documentación de Texas Instruments en la década de 1980, este circuito utiliza un componente de la época. Las características de operación se dan al lado del diagrama.

Detector de paso por cero
Sugerido por la documentación de Texas Instruments en la década de 1980, este circuito utiliza un componente de la época. Las características de operación se dan al lado del diagrama.
