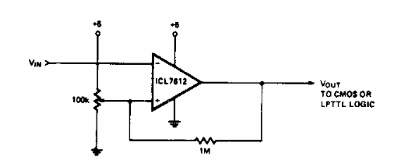
Encontramos este circuito en una documentación de Intersil de los años 80. Se pueden utilizar operacionales modernos equivalentes. El potenciómetro ajusta el nivel de detección.

Detector de nivel de tensión
Encontramos este circuito en una documentación de Intersil de los años 80. Se pueden utilizar operacionales modernos equivalentes. El potenciómetro ajusta el nivel de detección.
