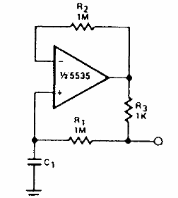
Encontramos este circuito en una vieja documentación de Signetics. El circuito integrado es de la época, pero la configuración vale para operacionales modernos. El circuito multiplica la capacitancia de C1 por 1000.

Multiplicador de capacitancia
Encontramos este circuito en una vieja documentación de Signetics. El circuito integrado es de la época, pero la configuración vale para operacionales modernos. El circuito multiplica la capacitancia de C1 por 1000.
