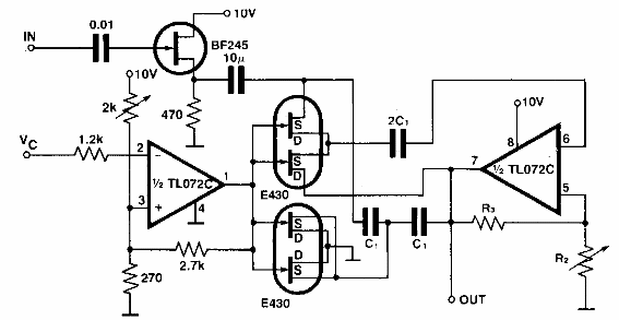
Este circuito se encontró en una documentación estadounidense de la década de 1980. Los FET dobles se pueden reemplazar por equivalentes individuales. La tensión de control varía de 0 a 1 V.

Filtro de paso de rango programable doble T
Este circuito se encontró en una documentación estadounidense de la década de 1980. Los FET dobles se pueden reemplazar por equivalentes individuales. La tensión de control varía de 0 a 1 V.
