Encontramos este circuito en un manual de componentes de Linear Technology. El circuito también tiene una salida de ajuste de cero. Más información que el lector puede encontrar en el sitio web del fabricante.

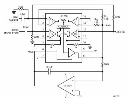
Modulador AM
Encontramos este circuito en un manual de componentes de Linear Technology. El circuito también tiene una salida de ajuste de cero. Más información que el lector puede encontrar en el sitio web del fabricante.
