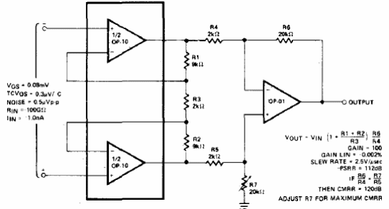
Este circuito utiliza amplificadores operacionales más antiguos, pero puede diseñarse sobre la base de los tipos modernos. El circuito requiere una fuente simétrica y tiene una ganancia de tensión de 100 veces con una alta resistencia de entrada.

Amplificador de instrumentación



