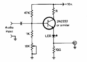
Este circuito puede usarse en un enlace óptico o sistema de comunicación óptica e incluso usando una fibra óptica con fines experimentales o didácticos. El LED es de alto rendimiento y puede ser infrarrojo. R determina la corriente en el LED.

Transmisor óptico



