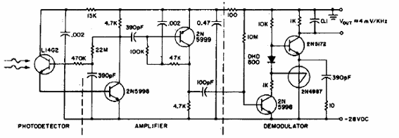
Este circuito permite la recepción y decodificación de señales ópticas moduladas en FM de 50 kHz. El circuito se puede usar en un enlace óptico experimental. La alimentación debe ser de 28 V. El circuito es de los años 80 y algunos componentes utilizados son poco comunes hoy en día.

Receptor Óptico de 50kHz para FM



