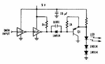
Este circuito para la transmisión de datos de luz (visible o IR) tiene una velocidad máxima de 1 Mbps y puede usarse como un shield. El circuito debe ser alimentado por 5 V y también se puede experimentar una lógica de tensión más baja. Q1 puede ser un BD136 y la resistencia sin valor depende de la corriente deseada en el LED emisor.

Transmisor óptico



