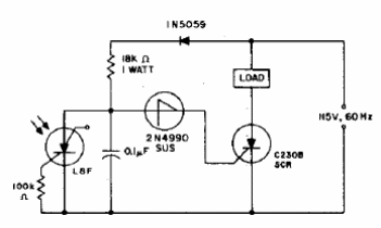
Este circuito de los 80 usa un SCR o LASCR sensible a la luz y un interruptor unilateral de silicio, que son poco comunes en la actualidad. El SCR puede ser el TIC106 y la carga controlada depende de él.

Detector de interrupción de luz
Este circuito de los 80 usa un SCR o LASCR sensible a la luz y un interruptor unilateral de silicio, que son poco comunes en la actualidad. El SCR puede ser el TIC106 y la carga controlada depende de él.
