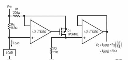
Este circuito se obtuvo del manual de 2005 de Linear Technology LT1306. Las fórmulas para calcular los componentes utilizados están al lado del diagrama. El FET admite equivalente.

Sensor de corriente del lado positivo
Este circuito se obtuvo del manual de 2005 de Linear Technology LT1306. Las fórmulas para calcular los componentes utilizados están al lado del diagrama. El FET admite equivalente.
