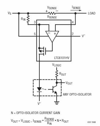
Este circuito 2005 de un manual de Linear Technology utiliza el LTC610HV y un acoplador óptico que puede ser de cualquier tipo. El circuito está en el lado alto y al lado del diagrama tenemos la fórmula para calcular latensión de salida.

Sensor de corriente con aislador óptico



