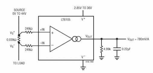
Encontramos este circuito en el manual de componentes de Linear Technology 2005. El circuito se puede usar como un shield cuando se alimenta con tensión apropiada. La fuente de corriente de la carga. es de 0 a 44 A.

Sensor de corriente LT6106
Encontramos este circuito en el manual de componentes de Linear Technology 2005. El circuito se puede usar como un shield cuando se alimenta con tensión apropiada. La fuente de corriente de la carga. es de 0 a 44 A.
