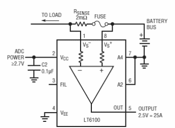
Encontrado en un manual de aplicación de Linear Technology de 2005, este circuito monitorea la corriente en una carga y también la condición del fusible. El circuito se basa en el LT6100. La salida es de 2.5 V para una corriente de 25 A.

Sensor de corriente y monitor de fusibles



