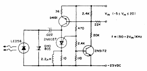
Este transmisor de luz de frecuencia modulada es de una documentación de la década de 1990. El circuito puede usar componentes equivalentes. PUT no es un componente común hoy en día. Observe la tensión de alimentación. El circuito se puede usar como shield.

Transmisor óptico de FM



