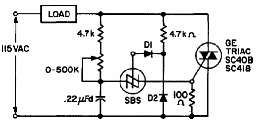
Este circuito se encontró en una documentación estadounidense de la década de 1990. El circuito puede usar casi cualquier tipo de triac que debería estar equipado con un disipador térmico. El potenciómetro puede ser de 470 k.

Control Triac sin Histéresis



