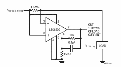
Este circuito es de la documentación estadounidense de 2005. El circuito de LinearTechnology se basa en el LTC6800 que proporciona una salida de 100 mV por A.

Sensor de corriente High Side
Este circuito es de la documentación estadounidense de 2005. El circuito de LinearTechnology se basa en el LTC6800 que proporciona una salida de 100 mV por A.
