Este circuito hace uso del LT6100 de Linear Technology. Lo encontramos en un manual de la compañía 2005. El circuito monitorea una carga alimentada por 5 V y es alimentado por 3 V.

Monitor de corriente de carga
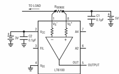
Este circuito hace uso del LT6100 de Linear Technology. Lo encontramos en un manual de la compañía 2005. El circuito monitorea una carga alimentada por 5 V y es alimentado por 3 V.
