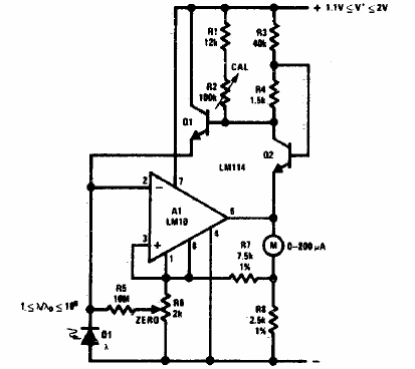
Este circuito es del propio manual LM10 de los 80. El circuito puede implementarse con otros amplificadores operacionales y el sensor es un fotodiodo. El fotodiodo puede ser de cualquier tipo y los transistores se usan comúnmente.

Medidor de intensidad de luz



