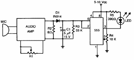
Este circuito monitorea el nivel de salida de un amplificador. El circuito está configurado en R4 y puede ser alimentado por tensiones de 5 a 10 V. R1 es el control de volumen del amplificador monitoreado.

Monitor de nível de sonido
Este circuito monitorea el nivel de salida de un amplificador. El circuito está configurado en R4 y puede ser alimentado por tensiones de 5 a 10 V. R1 es el control de volumen del amplificador monitoreado.
