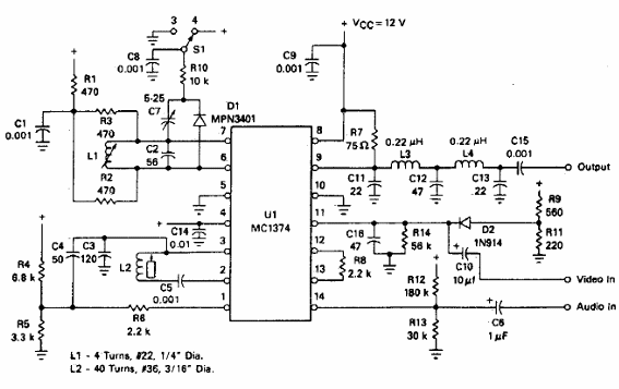
Este circuito de TV analógico se puede usar en un pequeño transmisor. El circuito es de una documentación estadounidense de los años 80, utilizando un integrado de la época. Se debe tener cuidado con la fuente para evitar problemas con la señal de video compuesto generada.

Modulador de video



