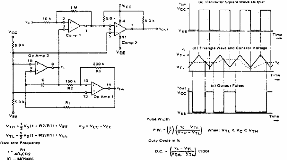
Encontramos este circuito en la documentación de un amplificador operacional de los 80. El circuito se aplica a cualquier amplificador operacional dadas las formas de señal y las fórmulas de cálculo de componentes.

Modulador de ancho de pulso com operacional



