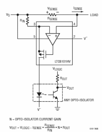
Este circuito para sistemas de 40 V, se encontró en un manual de aplicación de Linear Technology. El circuito admite hasta 105 V y tiene el diagrama para calcular los componentes utilizados.

Monitor de corriente aislado
Este circuito para sistemas de 40 V, se encontró en un manual de aplicación de Linear Technology. El circuito admite hasta 105 V y tiene el diagrama para calcular los componentes utilizados.
