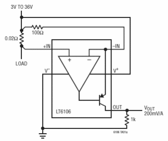
Encontramos este circuito en un manual de Linear Technology 2005. El circuito puede operar directamente en circuitos de 3 V a 36 V que se colocan en el lado alto de la carga. La corriente máxima es de 5 A.

Sensor de corriente de alta tensión
Encontramos este circuito en un manual de Linear Technology 2005. El circuito puede operar directamente en circuitos de 3 V a 36 V que se colocan en el lado alto de la carga. La corriente máxima es de 5 A.
