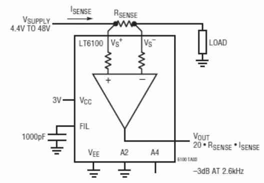
Este sensor con ganancia de corriente 20 se encontró en un manual de Linear Technology de 2005. El circuito puede operar desde el lado alto para cargar a tensiones de 4.4 a 48 V. La salida se muestra en la fórmula al lado del diagrama.

Sensor de corriente con ganancia 20



