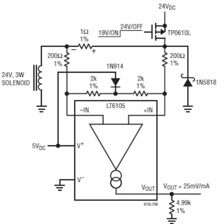
Este circuito como el anterior está diseñado para solenoides de 24 V x 3 W que se conectan en el lado alto. La salida es la misma que la anterior y el componente básico es LT6105. El circuito se encontró en un manual de Linear Technology de 2005.

Monitor de corriente de solenoide 2



