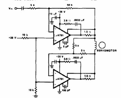
Este circuito utiliza operacionales de los 80, que hoy no se encuentran fácilmente. El circuito es de una documentación del tiempo alimentado por una fuente simétrica de 28 V.

Servocontrol en puente
Este circuito utiliza operacionales de los 80, que hoy no se encuentran fácilmente. El circuito es de una documentación del tiempo alimentado por una fuente simétrica de 28 V.
