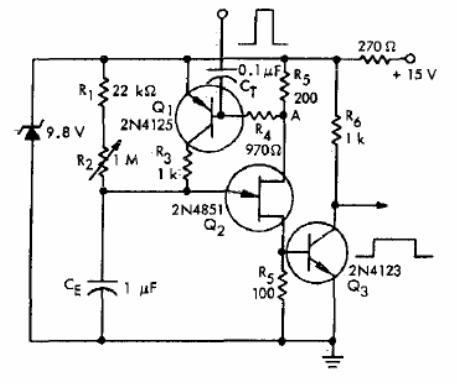
Este circuito se encontró en una documentación estadounidense de la década de 1980. Los transistores admiten equivalentes y el unijuntura puede ser 2N2646. El tiempo depende de la configuración CE y R2.

Monoestable con unijuntura
Este circuito se encontró en una documentación estadounidense de la década de 1980. Los transistores admiten equivalentes y el unijuntura puede ser 2N2646. El tiempo depende de la configuración CE y R2.
