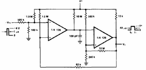
Este circuito es de un antiguo manual, pero puede ensamblarse fácilmente ya que el integrado todavía es común. La alimentación depende de la aplicación y normalmente puede estar entre 3 y 12 V. El circuito puede funcionar como un shield.

Monoestable con bloqueo de entrada



