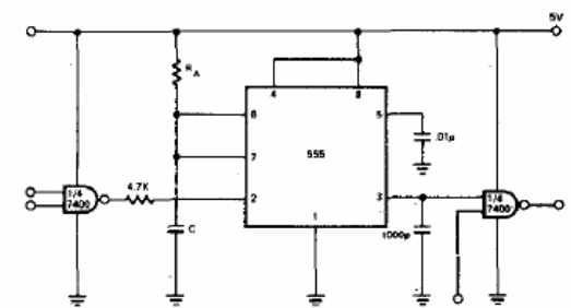
Este circuito se puede usar como un shield basado en el 555. El cálculo de la red de temporización se realiza de la manera habitual para 555. La alimentación debe hacerse con 5 V.

TTL monoestable
Este circuito se puede usar como un shield basado en el 555. El cálculo de la red de temporización se realiza de la manera habitual para 555. La alimentación debe hacerse con 5 V.
