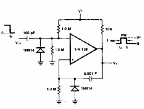
En la figura tenemos la manera de implementar un monoestable con un comparador 139, 239 o 339. El circuito no requiere una fuente simétrica.

Monoestable con comparador
En la figura tenemos la manera de implementar un monoestable con un comparador 139, 239 o 339. El circuito no requiere una fuente simétrica.
