Encontramos este circuito en una documentación de la década de 1980. El circuito integrado utilizado es inusual en la actualidad. La fuente de alimentación no es simétrica.

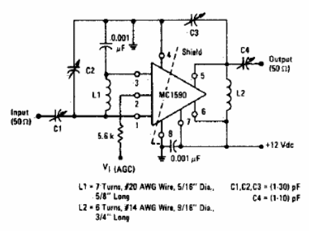
Prueba de ganancia de potencia de 60 MHz
Encontramos este circuito en una documentación de la década de 1980. El circuito integrado utilizado es inusual en la actualidad. La fuente de alimentación no es simétrica.
