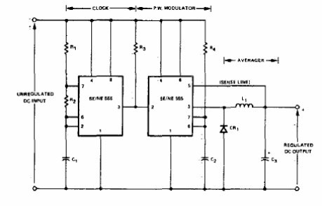
Este regulador de atenuación con llave se encontró en una documentación de los años 60. Hoy en día utiliza componentes inusuales, y sirve solo como referencia y no para nuevos diseños.

Regulador conmutado reductor
Este regulador de atenuación con llave se encontró en una documentación de los años 60. Hoy en día utiliza componentes inusuales, y sirve solo como referencia y no para nuevos diseños.
