Este circuito se encontró en la documentación antigua, pero el transistor puede ser el equivalente moderno BC547. La corriente puede variar entre 15 mA y 50 mA y la salida puede tener tensiones de 5 a 30 V.

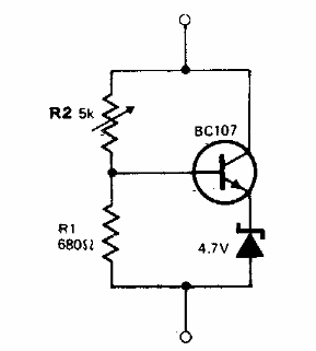
Diodo Zener variable
Este circuito se encontró en la documentación antigua, pero el transistor puede ser el equivalente moderno BC547. La corriente puede variar entre 15 mA y 50 mA y la salida puede tener tensiones de 5 a 30 V.
