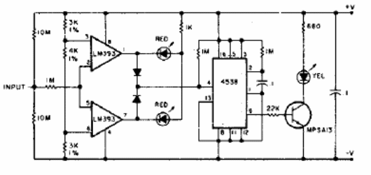
Esta sofisticada prueba lógica para circuitos de 5 a 12 V (CMOS y TTL) se encontró en una documentación de la década de 1980. El circuito se puede utilizar en aplicaciones de hasta 30 kHz.

Prueba lógica
Esta sofisticada prueba lógica para circuitos de 5 a 12 V (CMOS y TTL) se encontró en una documentación de la década de 1980. El circuito se puede utilizar en aplicaciones de hasta 30 kHz.
