Este circuito usa solo dos transistores de propósito general y puede ser alimentado por el circuito mismo. Lo encontramos en una documentación de los años ochenta.

Prueba Lógica simple
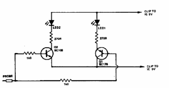
Este circuito usa solo dos transistores de propósito general y puede ser alimentado por el circuito mismo. Lo encontramos en una documentación de los años ochenta.
