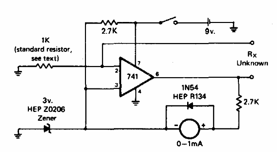
Este circuito utiliza un amplificador operacional de fuente única 741 para medir resistencias en una escala lineal. El circuito puede usar como indicador un multímetro común en un rango de bajas corrientes.

Ohmímetro
Este circuito utiliza un amplificador operacional de fuente única 741 para medir resistencias en una escala lineal. El circuito puede usar como indicador un multímetro común en un rango de bajas corrientes.
