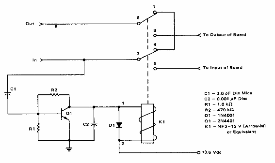
Este relé para señales de audio se encontró en una documentación estadounidense de la década de 1980. El relé está de acuerdo con la fuente de alimentación del circuito y la intensidad de la señal debe estar de acuerdo con la ganancia del transistor y la sensibilidad del relé.

Relé de señal



