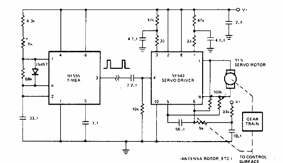
Este servo control por línea física utiliza componentes que actualmente no son comunes. El circuito es de una documentación de los años 80 y está alimentado por una tensión de acuerdo con el servo utilizado.

Servocontrol
Este servo control por línea física utiliza componentes que actualmente no son comunes. El circuito es de una documentación de los años 80 y está alimentado por una tensión de acuerdo con el servo utilizado.
