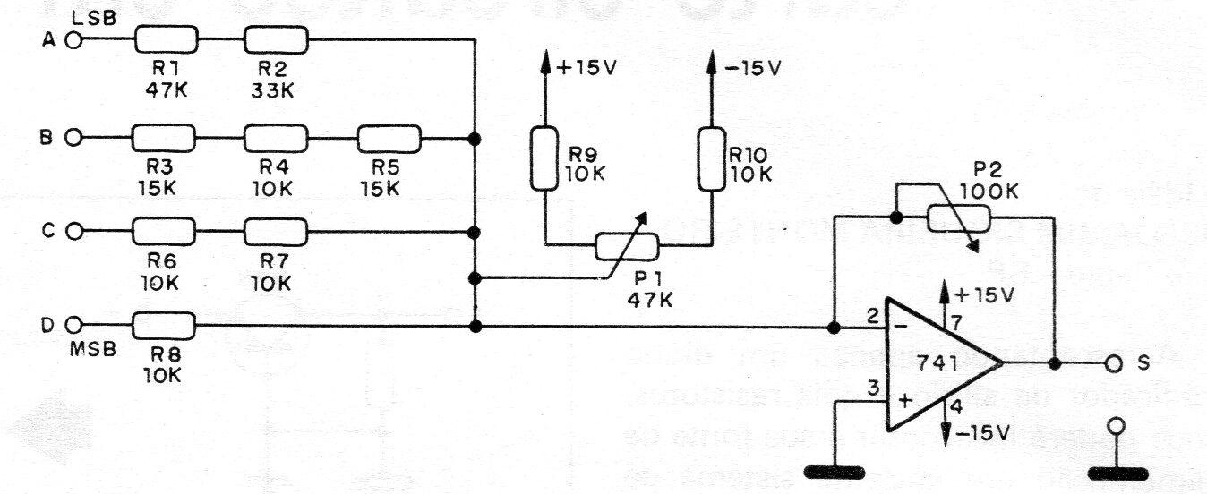
Encontramos este circuito en una publicación de 1988. La fuente de alimentación para el funcionamiento debe ser simétrica y el ajuste nulo se realiza en un trimpot. La precisión de la conversión de entrada depende de la precisión de los resistores. Se pueden utilizar otros amplificadores operacionales.




