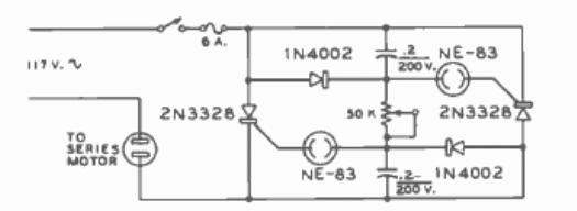
Esta es una configuración de control de potencia de onda completa ligeramente diferente a la que encontramos en una vieja documentación de radioaficionados. Los SCR deben estar controlados por carga y montados en disipadores de calor.

Control de potencia con SCR



