En la figura tenemos un paso de amplificación con FET en la configuración del seguidor de fuente (source follower). El circuito es de documentación antigua y se puede aplicar a FET más modernos.

Seguidor de fuentes con FET
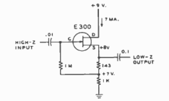
En la figura tenemos un paso de amplificación con FET en la configuración del seguidor de fuente (source follower). El circuito es de documentación antigua y se puede aplicar a FET más modernos.
