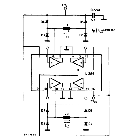
Encontramos este circuito en la propia hoja de datos del L293, un controlador de motor de 1 A de ST Microelectornics. El circuito funciona como un shield ya que tiene entradas TTL y debe estar equipado con un disipador de calor. La tensión máxima es de 38 V.

Control de motor paso a paso bipolar L293



