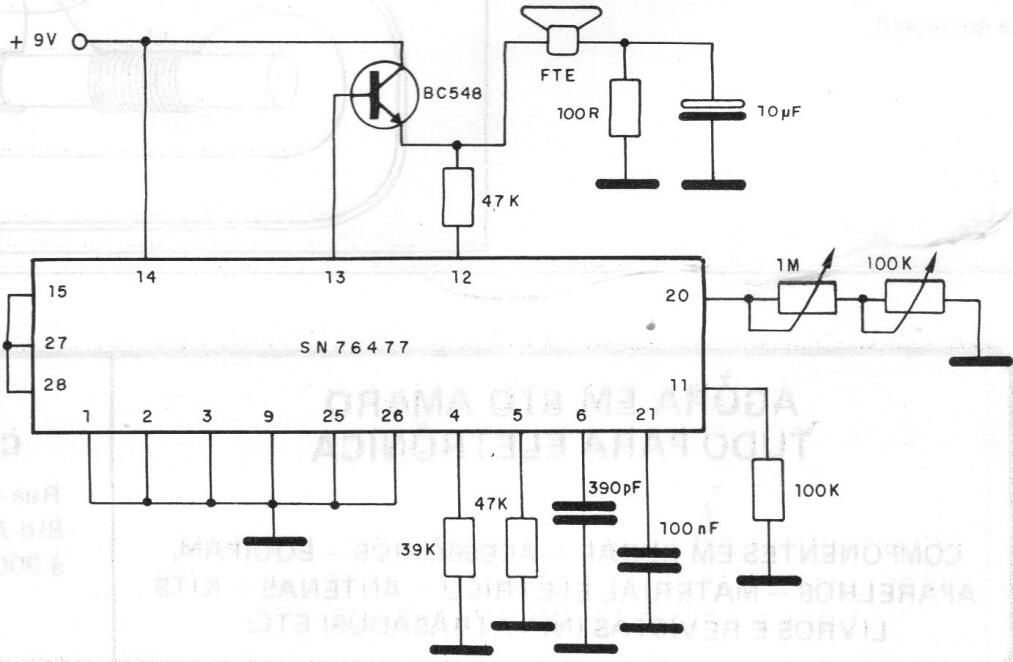
El circuito integrado utilizado en este circuito de una documentación de 1987 ya no es común hoy en día. Este circuito puede generar una multitud de sonidos diferentes y este circuito es un ejemplo de aplicación. Los potenciómetros ajustan los efectos.




