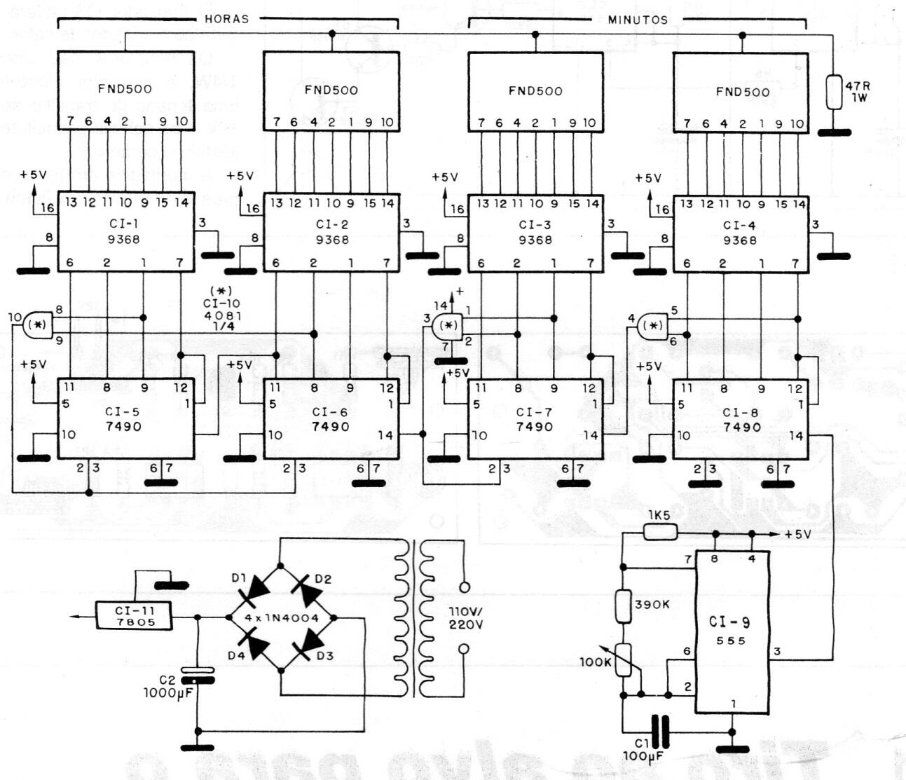
Este es un reloj digital convencional con tecnología TTL que utiliza displays de cátodo comunes. El circuito es de documentación de 1987 y tiene una base de tiempo que debe ajustarse cuidadosamente para producir un pulso por minuto, ya que la precisión del circuito depende de ello. En el diseño incluimos la fuente de alimentación.




