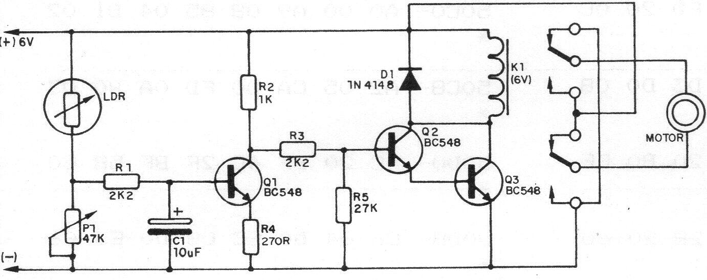
Este circuito permite la inversión de la dirección de un motor de CC a través de un relé controlado por un haz de luz. El ajuste del punto de activación se realiza en P1. El relé es de 6 V, que es el voltaje utilizado en el suministro del circuito. Encontramos este circuito en una documentación técnica de 1987.




