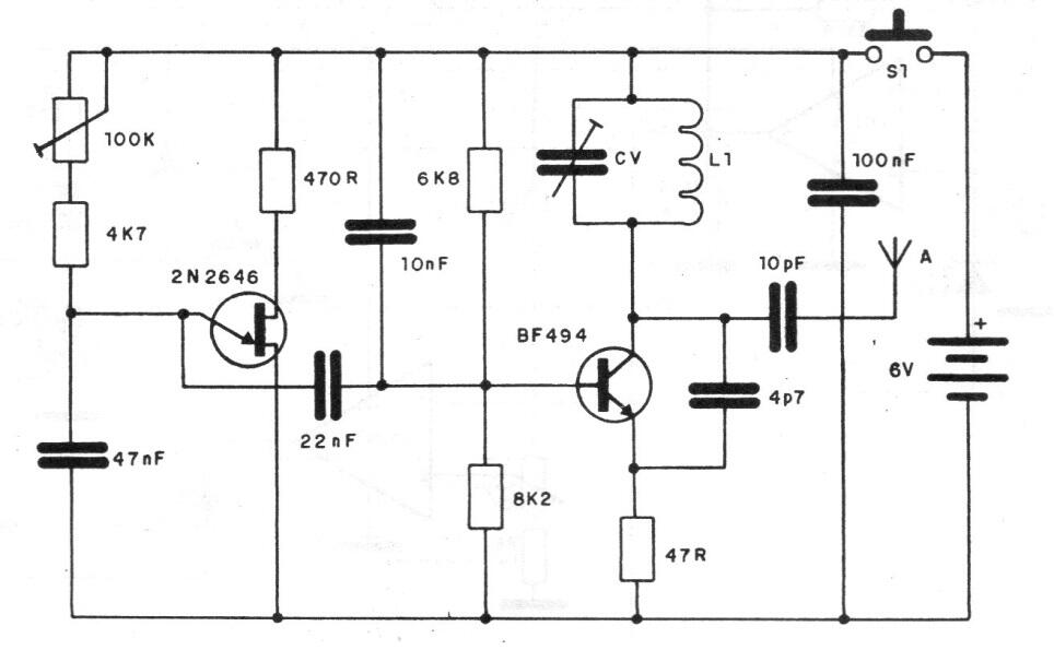
Este circuito originalmente estaba destinado a un sistema de disparo de cohetes de control remoto que utiliza un receptor FM. La bobina tiene 4 vueltas de 24 o 26 de 1 cm de diámetro sin núcleo. La antena es de 10 a 30 cm. El tono emitido se ajusta en el trimpot y la alimentación se puede hacer con 4 pilas pequeñas.




